Problème détection de 5 GPU par la carte mère.
-
Bonjour à tous,
Je rencontre un problème de détection de mes GPU par ma carte mère.
Mon problème est le suivant lorsque je connecte 4 GPU, il n’y a pas de problème elles sont reconnus.
Mais lorsque j’en connecte un 5eme GPU la cm se met en défaut.Mon matériel est le suivant :
Carte mère : MSI z390 A pro
Processeur : Intel celeron g4930
Alimentation : ax1200 corsair
GPU : 5 x rtx 3070 (MSI,evga)
OS : nicehash OS
RAM : DDR4 8Go
Riser : 4 x 1 to 16 + une rallonge 16 xConfiguration bios :
4g activé
Carte graphique en PEGJ’ai lu beaucoup de choses et j’ai essayé beaucoup de configuration de bios différente.
PS : Je n’ai plus le défaut quand j’active Windows 10 et le mode UEFI mais je n’arrive plus à lancer NICEHASHOS car il ne démarre qu’en CSM.
Merci pour votre aide.
-
Bonjour! Serais-ce possible qu’a l’allumage le tout dépasse les 1080 ou 1140 watts disponibles? 1200-10% ou 5% Les cartes semblent tirer 220w chacune + carte mère + cpu + risers, ça me semble beaucoup…
-
Bonjour,
Merci pour ta réponse, j’ai mis un wattmètre est au maximum il semblerait que j’ai consommé 840watts maximum ça ne me paraît pas beaucoup???
Mais au démarrage les 5 GPU démarrent les ventilateurs fonctionnent… Mais je ne sais pas si c’est un bonne indicateur? -
@gregdhinne Je ne sais pas trop, je ne suis pas habitué aux nvidia… Peut-être que @Siberian-Mining pourra t’en dire plus… Tu compte miner de l’eth, c’est ça? Une fois les paramètres d’undervolt et underclock appliqués ça devrait aller mais si il y a merdouillage quelque part et que tout tourne a fond, ton alim va exploser… C’est bien directement au démarrage que le bios t’indique qu’il est en erreur?
Tu as déjà testé nicehash miner sous windows? -
Voici l’écran qui apparaît

-
@gregdhinne Merci, tu as bien alimenté les pcie de la carte mère avec une prise molex 4 broches? parce que pour moi ça ressemble a ça, manque d’énergie pour fonctionner avec plus de 4 cartes graphiques…
-
Oui oui c’est ça c’est au démarrage, pour la crypto que je mine je laisse nicehash faire il me convertir tout en btc.
Et j’ai réglé sur la config 60% de pwr du coup ça fait 160 watt par GPU. -
@gregdhinne J’utilise aussi nicehash avec 25 rx 5700 xt

Je dois mettre 2 prises molex pour alimenter les ports pci express 1x de la carte mère. En général on doit commencer a les alimenter séparément a partir de plus de 4 cartes graphiques. Tu aurais une photo de ta cm stp? -
@gregdhinne a dit dans Problème détection de 5 GPU par la carte mère. :
config 60% de pwr du coup ça fait 160 watt par GPU.
tu peux réduire encore, les miennes tournent à 60MH/s en consommant 115W
Pour ton soucis j’ai lu et je ne vois rien de particulier à part les traditionnels “mettre à jour le bios carte mère”
Concernant ta carte EVGA, il faut que tu ailles jeter un oeil au site du constructeur car il y a eu des soucis avec leurs cartes et il y a des mises à jour de firmware sur certains modèles.
A savoir : EVGA est à éviter sous Linux car ces cartes disposent d’un contrôleur de ventilateur propriétaire et il n’est pas géré sous Linux (et parfois même Windows) -
@Siberian-Mining Sur l’écran de démarrage ca dit system insuficient pci ressources, c’est la ram ou le power tu crois?
-
@Chuck-LeLimier
Pas la RAM
Je vois que sur la carte il y a un port PCIE 8 broches au dessus du PCIE 16x, il faut qu’il soit alimenté -

-
Ça me fait aussi penser a un problème d alimentation électrique. Si problème de RAM ça provoque plutôt un plantage de Windows pendant le minage. (Plantage Ram tested and approuved by bibi ^^ )
-
Merci pour vos réponses,
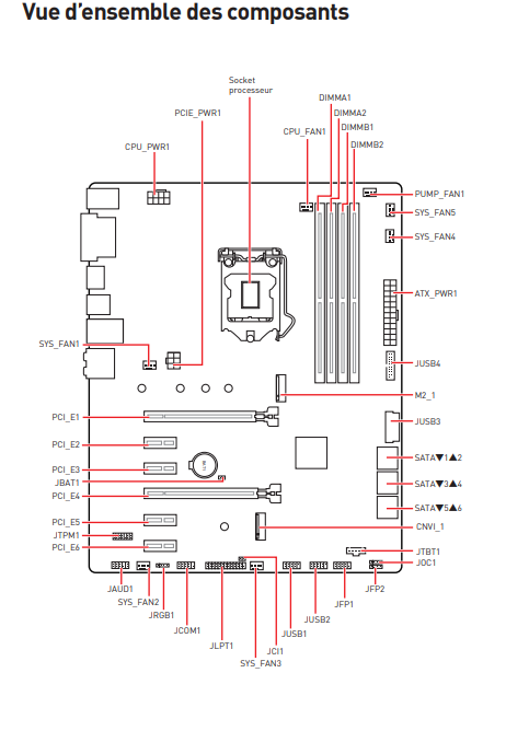
J’ai branché un câble sur l’alimentation sur le bornier PCI pwr il y a 6 broches.
Mais sur la cm, j’ai l’impression que ça ne fonctionne pas, voici la photo

Alors que j’ai bien branché un câble c’est un câble PCI qui se divise en 6 broches et 2 broches

Je dois peut être utilisé un autre câble d’alimentation ?
Qu’est ce que tu en penses @Siberian-Mining ?
Merci beaucoup pour votre aide dans tous les cas. -
@gregdhinne Attention, cette prise sert a alimenter le cpu, il doit y avoir dans tes câbles fournis avec l’alimentation un câble marqué CPU il devrait être en un seul morceau pour la prise, 8 pin, a fixer sur la prise qui est visible sur la carte mère blanche en ayant deux pins en trop qui dépassent sur le côté du plug de la carte mère. Un câble 6+2 pin pour alimenter les cartes graphiques ne sert pas a ça!!
-
@Chuck-LeLimier pas compris ce que toi dire… il parle de la prise 6 broches sur sa carte mère, la prise CPU 8 broches est a un autre endroit ( en haut a droite je dirrai) nan?
-
@El-Bibi-10 Sur la carte blanche, la prise indiquée par la flèche rouge est bien celle pour le cpu, elle peut être a 4, 6 ou 8 pin. Peut-être même 2 sur les vieux bazar il me semble^^
-
@Chuck-LeLimier a dit dans Problème détection de 5 GPU par la carte mère. :
@El-Bibi-10 Sur la carte blanche, la prise indiquée par la flèche rouge est bien celle pour le cpu, elle peut être a 4, 6 ou 8 pin. Peut-être même 2 sur les vieux bazar il me semble^^
NEIN, je viens de checker notice, les 6 borches sont bien préciser que ça alimente PCIE
https://download.msi.com/archive/mnu_exe/mb/M7B98v1.2-EURO.pdf
94/158
-
Je viens d’essayer de brancher un câble d’alimentation CPU sur le port 6 broches pcie pwr 1 mais ça ne fonctionne pas l’alimentation se met en défaut je pense que ça fait un court-circuit… Ça m’agace lol je suis sur que c’est un truc tout bête!
Par contre si je met un câble d’alimentation PCI il n’y a pas de défaut mais j’ai l’impression que le port n’est pas alimenté -
@El-Bibi-10 Oups, autant pour moi, je n’avais pas vu la bonne prise sur la photo, elle est cachée par un rectangle blanc…
@gregdhinne Le bios dit la même chose quand c’est branché?